Email os
Produkter
TAC pneumatisk skifteventil
  • TAC pneumatisk skifteventilTAC pneumatisk skifteventil

TAC pneumatisk skifteventil

Som den professionelle fremstilling vil OLK gerne give dig TAC Pneumatic Toggle Valve. Og OLK vil tilbyde dig den bedste service efter salg og rettidig levering.

Den TAC -pneumatiske skiftventil (også kendt som en switchventil) er en præcisionskontaktkomponent, der er specielt designet til pneumatiske systemer og væskekontrol. Med sin unikke kontrol-type kontrolstruktur opnår den hurtig skift og præcis kontrol af væskestier.

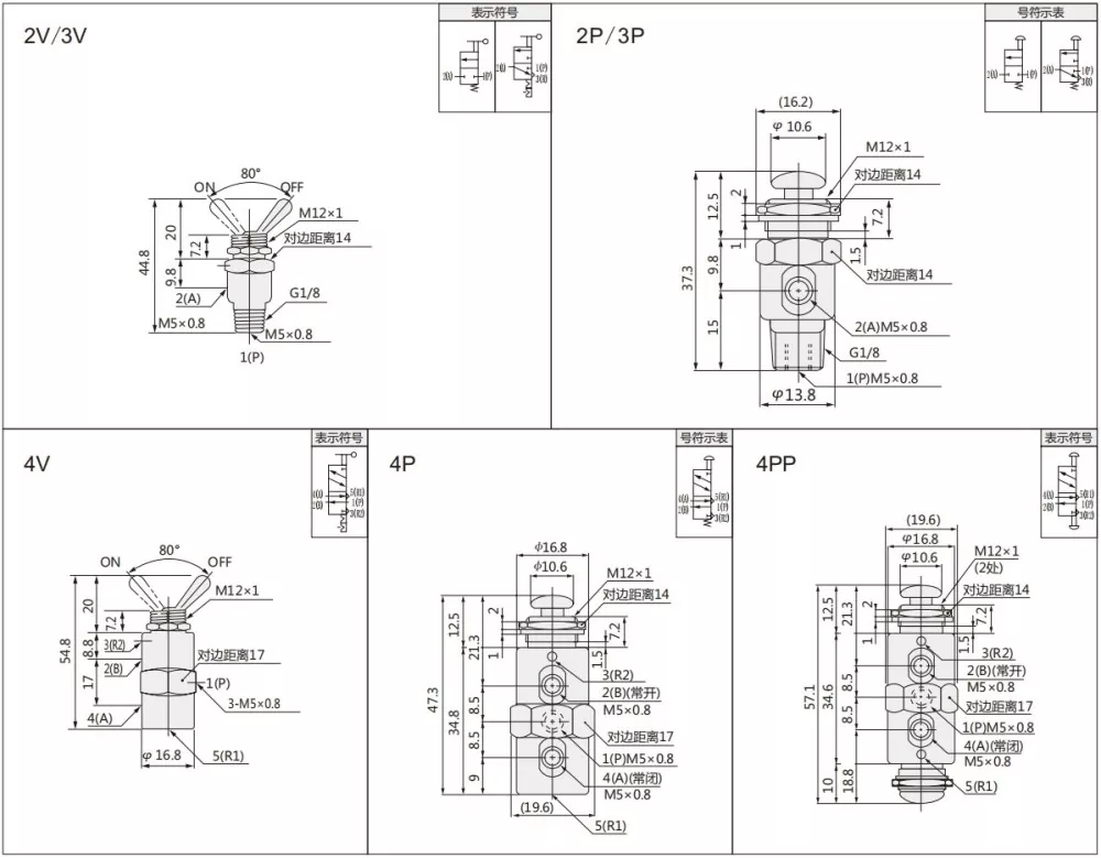
TAC -serien TAGGLE -ventilen har 2 position 2 -vej, 2 position 3 -vej og 2 position 5 -vej kan vælges. En forskellig håndtagstype og to typer tråd: M5, G1/8.

Applikationsscenarier

Industrielt automatiseringsudstyr, mekanisk forarbejdning, byggematerialer forarbejdning, energi og minedrift, mad- og drikkevareindustri, medicinsk udstyr osv.

Produktfunktioner

Det er lille i størrelse, kræver lidt installationsrum og er intuitivt at fungere manuelt, hvilket gør det velegnet til scenarier, der kræver hyppig skifte.

TAC skift ventilsymbol og kontur

Odering kode

Tac

2

__

2

P

 

 

 

 

 

TAC -serien Toggle Valve

 

 

2: 2Position 2 Way (M5)

P: Push-Pull-knaptype

 

 

 

3: 2 Position 3 Way (M5)

V: Håndhåndtagstype

 

 

 

4: 2 Powition 5 Way (M5)

PP: Dobbelt push-pull-knap

 

 

 

31: 2 Position 3 Way (G1/8)

 

 

 

 

41: 2 POWITION 5 Way (G1/8)

 

 

Model

Portstørrelse

 

Antal
af position

Effektiv  
Tværsnitsareal

Trykområde

Arbejdsvæske

Omgivende
Temperatur

 

TAC-2V

Indløb = outlet = m5   

2 position 2 måde

1,9 mm²

0,05 ~ 0,9ppa

Luft

0 ~ 60

TAC-2P

Indløb = outlet = m5   

2 position 2 måde

1,9 mm²

TAC-3V

Indløb = outlet = m5   

2 position 3 måde

1,9 mm²

TAC-3P

Indløb = outlet = m5   

2 position 3 måde

1,9 mm²

TAC-4V

Indløb = outlet = m5   

2 position 5 måde

1,9 mm²

TAC-4P

Indløb = outlet = m5   

2 position 5 måde

1,9 mm²

4pp

G1/8

 

2 position 5 måde

4,5 mm²

TAC2-31V

Indløb = outlet = udstødning = g1/8   

2 position 3 måde

4,5 mm²

TAC2-31P

Indløb = outlet = udstødning = g1/8   

2 position 3 måde

4,5 mm²

TAC2-41V

Indløb = outlet = g1/8 udstødning = m5

2 position 5 måde

4,5 mm²

TAC2-41P

Indløb = outlet = g1/8 udstødning = m5

2 position 5 måde

4,5 mm²

TAC2-41PP

Indløb = outlet = g1/8 udstødning = m5

2 position 5 måde

4,5 mm²

FAQS:

Hvad er forskellen mellem skiftventil og mekanisk ventil?

Det kan være skelnen mellemstikventil og mekanisk ventil ved kontroltype: Skiftventil

 

Hvad er forskellen mellem skiftventil og andre ventiler?

Præcis kontrol: Skiftventiler opnår fin strømningsregulering gennem en konisk ventilkerne, som er egnet til præcis kontrol i rørledninger til små diameter, mens kugleventiler er mere egnede til hurtig åbnings- og lukningsoperationer.

Hot Tags: TAC pneumatisk skifteventil, Kina, producent, leverandør, fabrik
Send forespørgsel
Kontaktoplysninger
Velkommen til vores hjemmeside! For forespørgsler om vores produkter eller prisliste, bedes du efterlade din e-mail til os, og vi vil kontakte os inden for 24 timer.
E-mail
cici@olkptc.com
Mobil
+86-13736765213
Adresse
Zhengtai Road, Xinguang Industrial Zone, Liushi, Yueqing, Wenzhou, Zhejiang, Kina.
X
Vi bruger cookies til at tilbyde dig en bedre browsingoplevelse, analysere trafik på webstedet og tilpasse indhold. Ved at bruge denne side accepterer du vores brug af cookies. Privatlivspolitik
Afvise Acceptere