Email os
Produkter
Airtac Type GR trykregulator
  • Airtac Type GR trykregulatorAirtac Type GR trykregulator

Airtac Type GR trykregulator

Du kan være sikker på at købe Airtac type GR trykregulator fra vores fabrik, og vi vil tilbyde dig den bedste eftersalgsservice og rettidig levering.

Airtac type GR trykregulator giver stabil og præcis trykstyring til pneumatiske systemer. OLK  GR pneumatisk regulator med holdbar konstruktion og nem justering, den sikrer pålidelig ydeevne i automationsudstyr, luftværktøj, kompressorer og generelle industrielle applikationer. Kompatibel med filtre, smøreapparater og FRL-enheder.

Airtac type GR trykregulator Produktegenskaber:

· Indbygget firkantet trykmåler sparer installationsplads (ekstern rund måler valgfri).

·Låsedesign forhindrer utilsigtet trykjustering forårsaget af ydre kraft.

·Balanceret trykregulerende struktur sikrer stabilt tryk, små udsving og god ydeevne.

·Kan installeres på et panel eller med et valgfrit monteringsbeslag.

·Udover standardmodellen er der også en lavtrykstype tilgængelig (maksimalt justerbart tryk: 0,4 MPa)


GR trykregulator Symbol:

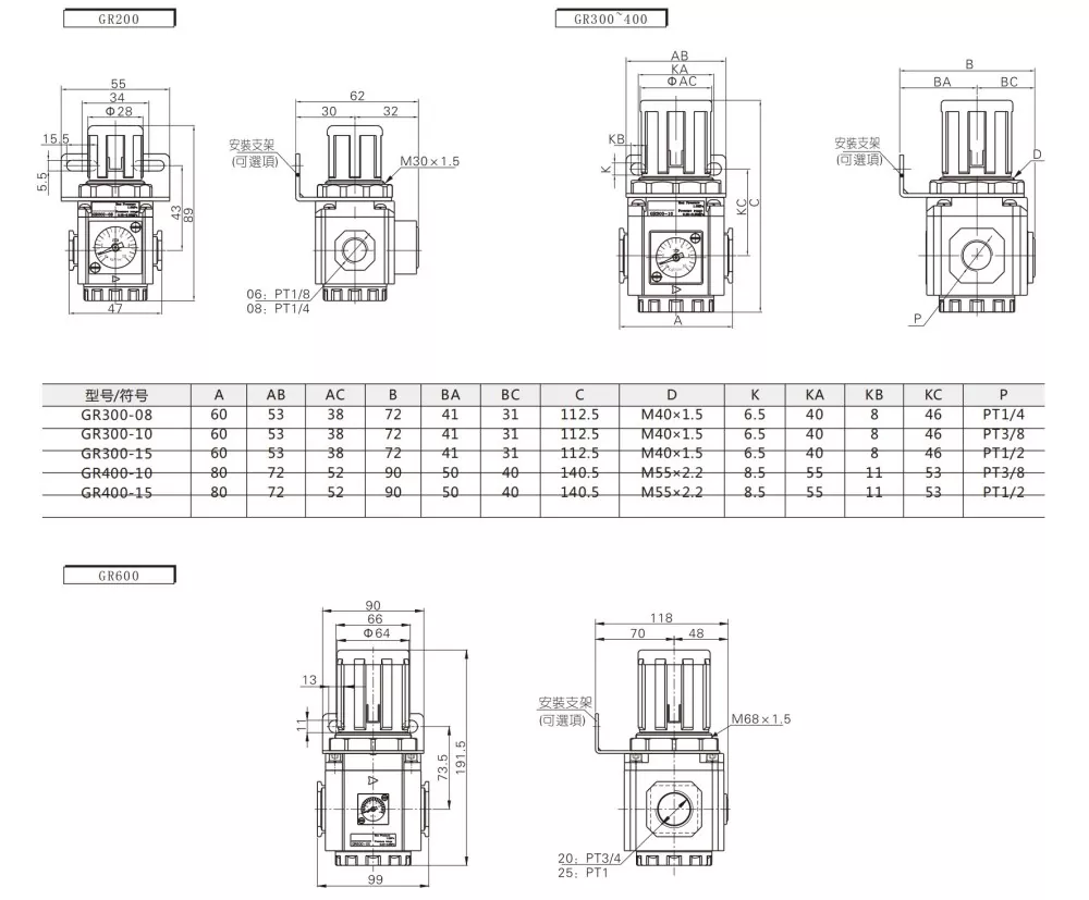
Bestillingskode

GR200

--

08

Model:

 

Portstørrelse:

GR200-seriens trykregulator

 

06:PT:1/8

GR300-seriens trykregulator

 

08:PT1/4

GR400-seriens trykregulator

 

10:PT3/8

GR600-seriens trykregulator

 

15:PT1/2

 

 

20:PT3/4

 

 

25:PT1


Model

GR200-06

GR200-08

Borrstorlek

GR300-10

GR300-15

GR400-10

GR400-15

GR600-20

GR600-25

Arbejdsmedium

'-20-70 ℃

Port størrelse

PT1/8

PT1/4

PT1/4

PT3/8

PT1/2

PT3/8

PT1/2

PT3/4

PT1

Driftstrykområde

0,05-0,9 Mpa (20-130 psi)

Arbejdstrykområde

1,5 Mpa (215 psi)

TEM.

-20--70 ℃

Vægt

160 g

350 g

720 g

1700 g


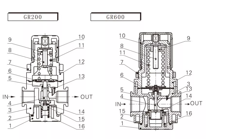
Sådan justeres Airtac type GR trykregulator

Der er en trykskala på justeringshætten. Når der tilføres luft, skal du trække knappen op og dreje den med uret mod "+"-tegnet for at øge trykket. Efter justering skal du trykke knappen ned for at låse den.


Trin 1: Hold knappen og træk den op.

Trin 2: Drej den med uret for at øge trykket.

Trin 3: Tryk knappen ned for at låse efter justering.


Bemærk: Vær opmærksom på pilen, der angiver luftstrømmens retning, når du tilslutter. Omvendt indløbstilslutning kan forårsage luftlækage.




Ofte stillede spørgsmål:

Hvad betyder GR?

GR betyder GR serie luftregulator.


-20--70 ℃

GFC=GFR+GL  (Filterregulator + Lubricator)


Hvad betyder GC?

GC=GF+GR+GL (Filter + pneumatisk regulator + smøreapparat)



Hot Tags: Airtac Type GR trykregulator, Kina, producent, leverandør, fabrik
Send forespørgsel
Kontaktoplysninger
Velkommen til vores hjemmeside! For forespørgsler om vores produkter eller prisliste, bedes du efterlade din e-mail til os, og vi vil kontakte os inden for 24 timer.
E-mail
cici@olkptc.com
Mobil
+86-13736765213
Adresse
Zhengtai Road, Xinguang Industrial Zone, Liushi, Yueqing, Wenzhou, Zhejiang, Kina.
X
Vi bruger cookies til at tilbyde dig en bedre browsingoplevelse, analysere trafik på webstedet og tilpasse indhold. Ved at bruge denne side accepterer du vores brug af cookies. Privatlivspolitik
Afvise Acceptere